Bono service

 

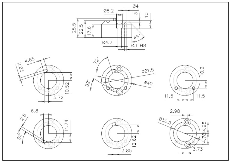
U pohledových a výrobně složitějších součástí jednotlivé díly zpracujeme elektronicky a necháme vypálit laserem.

Docílíme tím velké přesnosti, opakovatelnosti a vyžší úrovně zpracování.

 
 
 
 
 

Poskytujeme zpracování Vaší dokumentace do elektronické podoby.

 
 
 

 
 
 

+420 775 231 651
Bono@bonoservice.cz

© 2015